在追求更高效率、更高功率密度的电力电子系统中,栅极驱动器的性能至关重要。川土微电子全新推出 CA-IS3214 系列——一款基于先进电容隔离技术的单通道栅极驱动器。它集10A峰值驱动能力、超强隔离耐压与卓越的动态特性于一身,专为驱动SiC MOSFET、IGBT等先进功率器件而优化,旨在为您的电机驱动、新能源及工业电源应用提供高可靠性、高集成度的解决方案。
01产品概述
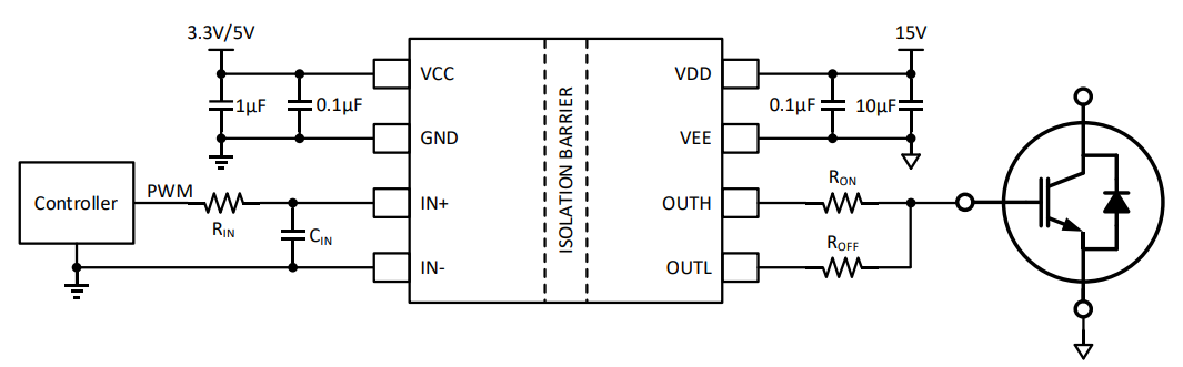
CA-IS3214 是一系列基于电容隔离的单通道栅极驱动器,可用于驱动MOSFET、IGBT、SiC MOSFET等功率器件。该驱动器具有出色的动态性能和高可靠性,同时具有高达10A/10A 峰值的拉/灌电流能力。
CA-IS3214通过 SiO2 电容隔离技术实现控制侧与驱动侧的电气隔离,支持1.5kVRMS的隔离工作电压、12.8 kVPK 浪涌抗扰度,额定工作电压下隔离栅寿命超过 40年,同时具有良好的器件一致性以及>150kV/μs 的共模瞬态抗扰度 (CMTI)。
CA-IS3214具有控制和驱动侧电源UVLO功能,同时针对SiC和IGBT开关行为进行了优化,并提高了可靠性。此外,CA-IS3214MxG内置5A峰值电流有源米勒钳位;CA-IS3214SxG和CA-IS3214TSCG具有OUTH和OUTL分离输出配置。
CA-IS3214输入IN+/IN–提供CMOS或者TTL逻辑选项,其中CA-IS3214TSCG为TTL逻辑,其它料号为CMOS逻辑。
CA-IS3214单通道增强隔离栅极驱动器选型表

02特性
驱动高达 2121VPK的 SiC MOSFET 和 IGBT
10A/10A 峰值拉/灌驱动电流能力
输入CMOS或者TTL(CA-IS3214TSCG)逻辑
宽电源范围:
• 3.0V 至 5.5V 输入侧 VCC 电源范围
•高达 33V 的输出驱动电源(VDD – VEE),具有两种UVLO 选项:B版本:8V;C版本:12V
输入引脚上40ns(典型值)脉冲抑制功能
延时特性:
• 80ns(典型值)传播延迟
• 15ns(最大值)脉宽失真
• 15ns(最大值)器件间延时匹配
SOIC8-WB 封装,爬电距离和电气间隙>8mm,5700VRMS隔离耐压等级
高共模瞬态抗扰度:>150kV/μs
额定工作电压下隔离栅寿命大于40年
工作结温(TJ)范围 :–40°C至 150°C
03 典型应用场景
电机逆变器
新能源车载充电器
光伏逆变器
储能变流器
充电桩功率模块
伺服驱动器
变频器
UPS及工业电源等
CA-IS3214MxxG典型应用

CA-IS3214SxG和CA-IS3214TSCG 典型应用
CA-IS3214系列隔离栅极驱动器,是川土微电子深耕电力电子领域、面向下一代高效功率转换系统精心打造的重要产品。该系列不仅具备强大的驱动性能与坚固的电气隔离能力,更以多样化的功能配置,为设计工程师带来更灵活的选型空间与系统可靠性。
在隔离栅极驱动器产品线中,川土微电子致力于为客户提供丰富的隔离栅极驱动器产品解决方案。以单通道隔离驱动为例:
电流输入型(光耦兼容)包括CA-IS3211X及新一代CA-IS3211CX系列,实现性能升级与平滑迭代;
电压输入型则涵盖CA-IS3212X、CA-IS3213X与CA-IS3214X三大系列,输出峰值电流覆盖4A至15A,适配不同功率等级系统,并提供多种封装与功能组合,长期工作隔离耐压等级从最低400VRMS覆盖到最高2000VRMS,充分满足客户多样化的应用需求和复杂的应用场景。
目前,这些产品已在工业自动化与电源能源等领域获得广泛应用,并历经充分的市场验证,性能稳定可靠。
未来,川土微电子将继续围绕客户实际应用,深度融合“隔离+驱动”技术优势,进一步拓展隔离栅极驱动器产品组合,坚持通用化与差异化并行,为客户创造更多价值。
样品申请:
川土微电子已开放免费样品申请与技术方案支持,助力您的产品快速落地。
- 随机文章
- 热门文章
- 热评文章
- 广州从化“黄金双果”陆续上市,广州从化“黄金双果”陆续上市
- 马来西亚驻华大使馆副馆长引两国谚语谈东盟与中国合作,马来西亚驻华大使馆副馆长引两国谚语谈东盟与中国合作
- 两岸青年相聚武汉共赴文化体育嘉年华,两岸青年相聚武汉共赴文化体育嘉年华
- 新疆新星市:高效设施渔业助力乡村振兴,新疆新星市:高效设施渔业助力乡村振兴
- 两项武术亚洲杯吉林松原开幕 亚洲顶级选手巅峰对决,两项武术亚洲杯吉林松原开幕 亚洲顶级选手巅峰对决
- 2025年国际法论坛在香港举办 聚焦AI发展对国际秩序的影响,2025年国际法论坛在香港举办 聚焦AI发展对国际秩序的影响
- 新疆石河子航空产业向全产业链发展迈进,新疆石河子航空产业向全产业链发展迈进
- “北京数字经济十大标杆应用”发布 数字中轴等入选,“北京数字经济十大标杆应用”发布 数字中轴等入选
- 活力中国调研行丨“小相机”打开“大视野” 深圳智造如何脱颖而出?,活力中国调研行丨“小相机”打开“大视野” 深圳智造如何脱颖而出?
- 鄂台青年共话李时珍中医药文化传承发展,鄂台青年共话李时珍中医药文化传承发展
- 归国留学生“一张纸”剪出乡村共富新图景,归国留学生“一张纸”剪出乡村共富新图景
- 全国“讲述我的育人故事”第一片区展示活动在京举办,全国“讲述我的育人故事”第一片区展示活动在京举办
- 1北方稀土跌0.52% 机构净卖出4.01亿元
- 2整流桥GBJ2002和GBJ3002,有什么区别?
- 3与作者面对面丨英飞凌IPAC直播间即将亮相PCIM Asia 2025
- 4东周时期贵族饮食考古发现:女性食源多样肉食明显低于男性,东周时期贵族饮食考古发现:女性食源多样肉食明显低于男性
- 52025CJ直击:骁龙是如何从游戏芯到全能王的?
- 6浙江宁波机场口岸上半年出入境外籍旅客同比增长87%,浙江宁波机场口岸上半年出入境外籍旅客同比增长87%
- 7钙钛矿助力Micro-LED发展:从材料突破到显示应用
- 8入选沙利文白皮书行业标杆!华宝新能全场景家庭绿电解决方案亮相AIA 25 Expo
- 9机构关注高端装备股,开启“反内卷”新一轮上涨行情
- 10能源组态数据大屏管理平台有什么功能?
- 11南平市文旅经济发展大会召开 全力打造世界级旅游目的地,南平市文旅经济发展大会召开 全力打造世界级旅游目的地
- 12800余位浙江衢州籍海内外人士聚家乡 共促开放发展
- 1安乃达(603350):首次公开发行部分限售股上市流通
- 2数字化工厂-注塑机数据采集、边缘计算
- 3白银站稳32:多重利好共振下的反弹能否持续?
- 4韩国总统李在明涉华表态:将尽快改善韩中关系,韩国总统李在明涉华表态:将尽快改善韩中关系
- 5金证股份(600446):金证股份第八届董事会2025年第六次会议决议
- 6ST盛屯股东户数下降6.18%,户均持股19.61万元
- 7EBC金融集团外汇行情播报|欧股仍然承压 奢侈品不香了
- 8光储充一体化构建绿色能源与智能交通的交汇点
- 9奥飞数据拟募资不超17.5亿元建设云计算产业园
- 10慧能泰推出零外围A+C快充芯片HUSB382D
- 11一季度超七成混基正收益 鹏华碳中和主题混合涨60%
- 12江西首座“光储充放检调”一体超级充电示范站投运,江西首座“光储充放检调”一体超级充电示范站投运







